Produkte
Übersicht
NEU
EE/M
ETD/EER
RM
PQ
EC
PC
SMD
EFD
EP
U
UNI
M-EI-UI
EI/UI
PLANAR
GEHÄUSE
LDS/SMD3
STANZTEILE
SONDERFORMEN
ENTWICKLUNGEN
MATERIALLISTE
PRODUKTSUCHE
Technologie
LDS Laser Direkt Strukturierung
3D Druck
Halogenfreier Flammschutz
Bio-Kunststoffe
Unternehmen
Unternehmen
Unternehmenspolitik
UN Global Compact
Umwelt und Qualität
Zertifizierungen
Daten und Fakten
Karriere
Historie
Kontakt
Vertrieb
Export
Qualität und Umwelt
Technik
Messetermine
Newsletter
Produkte
NEU
EE/M
ETD/EER
RM
PQ
EC
PC
SMD
EFD
EP
U
UNI
M-EI-UI
EI/UI
PLANAR
GEHÄUSE
LDS/SMD3
STANZTEILE
SONDERFORMEN
ENTWICKLUNGEN
MATERIALLISTE
PRODUKTSUCHE
Technologie
LDS Laser Direkt Strukturierung
3D Druck
Halogenfreier Flammschutz
Bio-Kunststoffe
Unternehmen
Unternehmenspolitik
UN Global Compact
Umwelt und Qualität
Zertifizierungen
Daten und Fakten
Karriere
Historie
Kontakt
Vertrieb
Export
Qualität und Umwelt
Technik
Messetermine
Newsletter
Spache
Deutsch
Englisch
Suche
PQ-Reihe
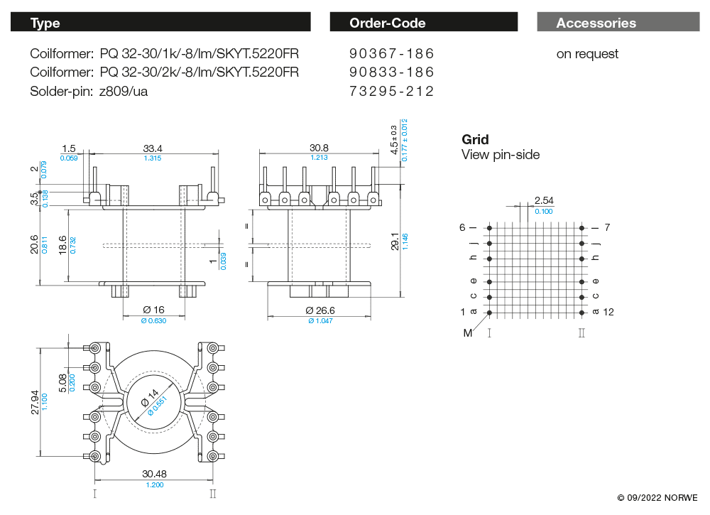
PQ Spulenkörper mit linear angeordneten Lötstiften.
PQ 32-30/1k/-8/lm/SKYT.5220FR
PQ 32-30/1k/-8/lm/SKYT.5220FR – Bestellcode 90367-186
ZEICHNUNG (PDF)
MUSTER
ANGEBOT
ERGÄNZENDE PRODUKTINFORMATIONEN (PDF)
Produkt Suche
×
NORWE Typ
Bestellcode
Materialnr.
Baureihe
alle Baureihen
Neuheiten
EE/M-Reihe
ETD/EER-Reihe
RM-Reihe
PQ-Reihe
EC-Reihe
PC-Reihe
SMD-Reihe
EFD-Reihe
EP-Reihe
U-Reihe
UNI-Reihe
M-EI-UI
EI, UI
Planar
LDS/SMD3
Gehäuse
Stanzteile
Sonderformen
Entwicklungen
Suchen
Loading…
Loading the web debug toolbar…
Attempt #
Cancel