Produkte
Übersicht
NEU
EE/M
ETD/EER
RM
PQ
EC
PC
SMD
EFD
EP
U
UNI
M-EI-UI
EI/UI
PLANAR
GEHÄUSE
LDS/SMD3
STANZTEILE
SONDERFORMEN
ENTWICKLUNGEN
MATERIALLISTE
PRODUKTSUCHE
Technologie
LDS Laser Direkt Strukturierung
3D Druck
Halogenfreier Flammschutz
Bio-Kunststoffe
Unternehmen
Unternehmen
Unternehmenspolitik
UN Global Compact
Umwelt und Qualität
Zertifizierungen
Daten und Fakten
Karriere
Historie
Kontakt
Vertrieb
Export
Qualität und Umwelt
Technik
Messetermine
Newsletter
Produkte
NEU
EE/M
ETD/EER
RM
PQ
EC
PC
SMD
EFD
EP
U
UNI
M-EI-UI
EI/UI
PLANAR
GEHÄUSE
LDS/SMD3
STANZTEILE
SONDERFORMEN
ENTWICKLUNGEN
MATERIALLISTE
PRODUKTSUCHE
Technologie
LDS Laser Direkt Strukturierung
3D Druck
Halogenfreier Flammschutz
Bio-Kunststoffe
Unternehmen
Unternehmenspolitik
UN Global Compact
Umwelt und Qualität
Zertifizierungen
Daten und Fakten
Karriere
Historie
Kontakt
Vertrieb
Export
Qualität und Umwelt
Technik
Messetermine
Newsletter
Spache
Deutsch
Englisch
Suche
EI, UI
EI Spulenkörper Horizontal
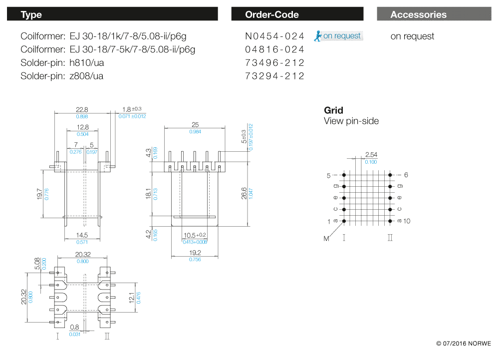
EJ 30-18/7-5k/7-8/5,08-ii/p6g
EJ 30-18/7-5k/7-8/5,08-ii/p6g – Bestellcode 04816-024
ZEICHNUNG (PDF)
MUSTER
ANGEBOT
ERGÄNZENDE PRODUKTINFORMATIONEN (PDF)
Produkt Suche
×
NORWE Typ
Bestellcode
Materialnr.
Baureihe
alle Baureihen
Neuheiten
EE/M-Reihe
ETD/EER-Reihe
RM-Reihe
PQ-Reihe
EC-Reihe
PC-Reihe
SMD-Reihe
EFD-Reihe
EP-Reihe
U-Reihe
UNI-Reihe
M-EI-UI
EI, UI
Planar
LDS/SMD3
Gehäuse
Stanzteile
Sonderformen
Entwicklungen
Suchen
Loading…
Loading the web debug toolbar…
Attempt #
Cancel